Serratura per porta di armadio industrialeè il componente protettivo chiave dell'armadio di distribuzione, dell'armadio di comunicazione, della scatola di controllo e di altre apparecchiature, che è direttamente correlato alla sicurezza dei componenti elettrici interni e al funzionamento stabile del sistema.
Al fine di soddisfare le diversificate esigenze di tempi di consegna e specifiche per diversi progetti, la nostra azienda ha sempre in magazzino cinque tipi di serrature comunemente utilizzate:Lucchetto a barra lunga, Blocco del pannello, Blocco controllo asta, Blocco maniglia,Blocco della lingua rotante. Allo stesso tempo, supportiamo qualsiasi serratura non standard personalizzata secondo disegni o campioni, che è perfettamente adatta a tutti i tipi di scatole di distribuzione metalliche.
La serratura piana è uno dei tipi più comuni di serrature per porte di armadi industriali, bella e di facile manutenzione. La nostra azienda ha lanciato le serrature piane serie AB301, AB302, AB303, AB402, AB403, in termini di resistenza strutturale, prestazioni di protezione e sensazione operativa del design differenziato, possono soddisfare le diverse specifiche della scatola di distribuzione e i requisiti di installazione del quadro elettrico.
| Dimensioni | Numero del prodotto | |||||||
| L1 | L2 | L3 | B1 | B2 | Cromatura grigia | Vernice spray grigia | Verniciato a polvere nera | Peso (g) |
| 147 | 117 | 72 | 33 | 26.5 | AB301-1-1.2 | AB301-1-1.8 | AB301 | 370 |
| 120.5 | 95.5 | 65 | 30 | 23.5 | AB301-2-1.2 | AB301-2-1.8 | AB302 | 290 |
| 87.5 | 62.5 | 65 | 28.5 | 23.5 | AB301-3-1.2 | AB301-3-1.8 | AB303 | 215 |
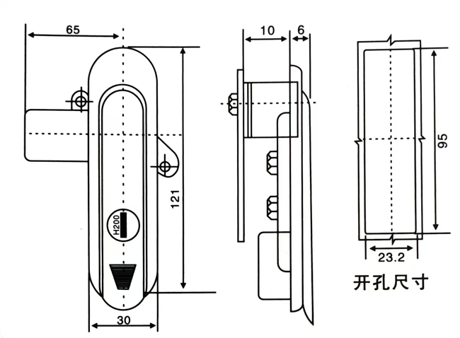
Materiale principale: lega di zinco.
Trattamento superficiale: cromo lucido, opaco, nero.
Funzione e utilizzo: realizza l'apertura della porta sinistra e destra, facile da usare, con funzione di tenuta e impermeabile.
Materiale principale: lega di zinco.
Trattamento superficiale: cromo lucido, opaco, nero.
Funzione e utilizzo: realizza l'apertura della porta sinistra e destra, facile da usare, con funzione di tenuta e impermeabile.
Materiale: corpo serratura in lega di zinco, albero rotante, bullone in acciaio zincato, piastra di pressione.
Trattamento superficiale: nano spray grigio argento.
Descrizione della struttura: ruotare di 90 gradi per aprire o bloccare.
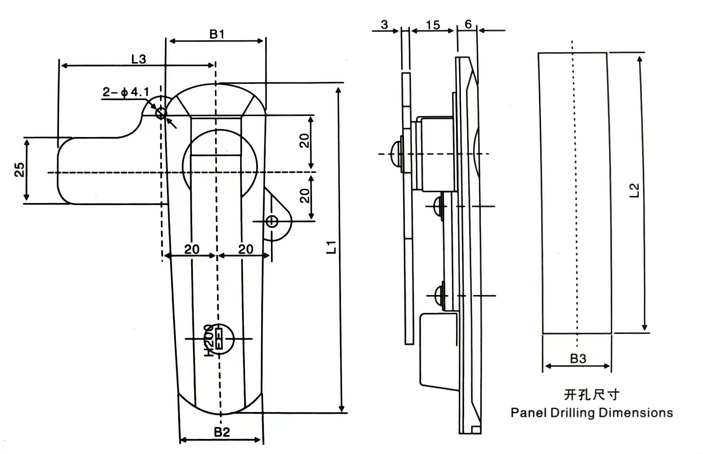
| MODELLO | L1 | L2 | L3 | B1 | B2 | B3 |
| NUOVO AB402-A | 123 | 95.5 | 65 | 36.5 | 30 | 23.5 |
| NUOVO AB403-A | 91 | 62.5 | 65 | 33 | 28.5 | 23.5 |
| NUOVO AB401-A | 151 | 117 | 72 | 36 | 30 | 26.5 |
